05
On The Brink
Academic

LOCATION
Sloterdijk | Zuid is located between several areas with different characteristics, such as the port and the city, and is home to the project presented below; on the brink. On the edge of the new district, the project is a threshold between two opposing spheres. To the north, the new district spreads out with its many public spaces, ground floor shops and mixed residential and business towers, making it lively and effervescent with a very urban character. To the south, the Dijkpark stretches along the canal, which is an ideal location for a wide range of activities for families and friends, making the area full of interaction and vitality. The project is intended to act as a mediator between these two areas, offering a haven of nature and tranquillity between two noisy zones. To soften this transition, the volumes are lower to the south than to the north, and the forest acts as an intermediary in the centre.

NATURE & THRESHOLD
Why is the forest so important? Because bringing residents face to face with nature will make them more aware and responsible towards it, which has an unfortunate tendency to lose importance over time. A return to nature, while enjoying its benefits, is what this forest is all about. The other aspect of this project is its role as a threshold between different places of different kinds. It acts as a mediator between the park and the city, between noise and calm, between public and private space, between high and low, between density and space. This character is reflected in two very distinct types of building, joined by a forest at its centre. This threshold aspect is also worked on at flat level. By working with a communal gallery to the south that serves the flats, which are open on two sides, the dwelling acts as a buffer between private and communal, between inside and outside. Depending on requirements, this unheated gallery can be completely open or closed, acting as a climatic buffer zone. It also allows a great deal of interaction between residents, creating a degree of cohesion and a communal space that can be negotiated and used by all.

STRUCTURE
Two different structures face each other. One to the south, built entirely of wood, and one to the north, a mix of wood and concrete. To the south, the structure leaves little room for flexibility, but its low height means that it can be built entirely in wood. To the north, concrete floors every two storeys, supported by two pillars acting as technicalvoids, leave a double-height space that can be filled with a timber structure. The flexibility offered by this system means that it can be quickly adapted to changing user needs. It also offers flexibility in terms of the types of flats that can be built and the possible variation between them.

ACCESSIBILITY & SKIRTING A staircase on one side and a lift on the other serve the communal galleries. On the ground floor, the vertical circulation on the north side is linked to the internal shopping street, which provides access either to the city by exiting to the north, or to the forest by exiting to the south. To the south, the same principle of vertical circulation applies. However, the latter flows directly into the public space, de facto mixing residents with the life of the neighbourhood, which takes place in the cafés, shops and park opposite. Everything to do with bikes and cars is underground. A gently sloping access road to the east serves as an entrance.

VITAL COMPACT CLIMATNEUTRAL
On the brink meets the municipality's various needs. From a social point of view, the plinth to the south is highly interactive and offers a number of amenities in summer, while the plinth to the north is lively in winter and on rainy days. In addition, the communal galleries provide attractive meeting places for a diversity of users, enriching interactions and avoiding the simple superimposition of residents in cubicles. From a spatial point of view, the flexibility offered by the structure to the north allows residents to identify with their home by personalising it. The forest in the centre also providesa meeting place where children can build tree houses, while older people enjoy the peace and quiet.



PRESENTATION & NARRATIVE
Firstly, I'll take you on a narrative journey through the life of an man living in one of the apartment and, in the second part, we'll delve into the technical and construction elements of the project.

In my memories, when I lived two floors down with my parents, I remember how cosy our home was. In summer, while my parents were having dinner in the sunset, my friend and I would play in the gallery. We were free because our parents knew we were safe. Sometimes, when they went down for a coffee, our neighbour, who was elderly and therefore often sunbathing in the loggia, would watch us with a stern eye. I also remember that driving trucks and tractors down the slope in front of the landing door provided endless entertainment.
On sunny days in winter, I spent most of my time in the south-facing loggia. Or if the sun wasn't shining, I liked to play board games with my family in the centre of the apartment where it was warmer.
Also, when there wasn’t enough place in the dining space, at Christmas for example, my bedroom would be transformed into an extension of it so that the whole family could sit together.
I loved spending time in my bedroom. With a window facing the forest, I enjoyed the fresh air and see the tree we had plant when we moved in. From time to time, I tried to make friend with a squirrel. But it would snatch my hazelnut from my hand and run off through the branches.
I grew up here and became very attached to it. Many memories and moments are dear to me and have taken place right here, in the opposite park or in the adjoining school.
Today, I'm living in the shared flat two floors up, on the attic level. I love this place and who knows, maybe one day I'll be able to buy a flat on any of the five floors below. And why not open my own woodwork in one of the workshops on the ground floor. For the moment, I'm continuing my apprenticeship and sometimes, on summer evenings, I garden with my parents, flatmates or other residents of the building.

After this narrative of one of the many possible lives in this new district, I'd like to look at how these different situations are translated architecturally. How, from a narrative, a living space takes shape, materializes itself.
Showing you this two axonometries, I would like to remind you few key points of the project particularly the concept of threshold across different climatic and privacy zones.
Moving to the building on the south, we have here, the ground and the fifth floor and also a section of the whole to see its position in the built environment, as well as its relationship with the building behind.
Now we can move to the following poster, that details the south building with two façades, its underground, the ground floor and here the attic, where my story ends. And where the shared flat with the gardens are located.
On this poster, the focus is on the building's program, and its structure. Here we see the gallery connected to the two vertical circulations at either end of the building. Below, the typical flat, shows the interconnected elements and thresholds regulating privacy. Sliding doors and bow-window show the flexibility in regulating private and communal spaces. From a more private level here to the north in the rooms to exposure to the commun gallery here to the south. For example, here to the south, the bow-window can be opened completely, extending the private space into the communal area. Or here the dining area can be completely closed to create an intimate space.
Before moving on to the technical side of the construction, a few words about the building's circularity. Firstly, its dowel timber construction system, assembled using wooden anchor, means that, in theory, every beam in the project can be remove and reuse later. Secondly, through the technique shown here, which, in addition to local conditions and orientation, will improve the indoor climate, which will also be divided into different zones.
On this 1:50 drawings, particularly on this section, we can see the interconnection of the various elements mentioned above ; the construction, apparent on certain walls in the flats ; the technics, taking place in a false ceiling in the centre ; the orientation, that allow fresh air from the forest, and the blinds to the south to regulate the solar gains. And always from the very small, private scale to the larger, public scale with here the public drain. This sums up the general thinking about the project.
For the functional side of the building, that means how it lives through its technics, we have here, a mezzanine floor, on top of the cycle parking area, that houses all the technics. They will be then distribute by a horizontal duct that itself distributes the vertical ducts. A summary of the route taken by the heating, water, ventilation and electricity systems can be found here. Then from the vertical ducts, each flat has its own personal distribution system, adjustable by the occupants. Once again, this responds to the general concept of thresholds. Here, different climatic zones exist side by side, with the unheated gallery to the south acting as a buffer zone between inside and outside. And here, the denser underfloor heating in the centre of the flat encourages dwellers to find their way around.
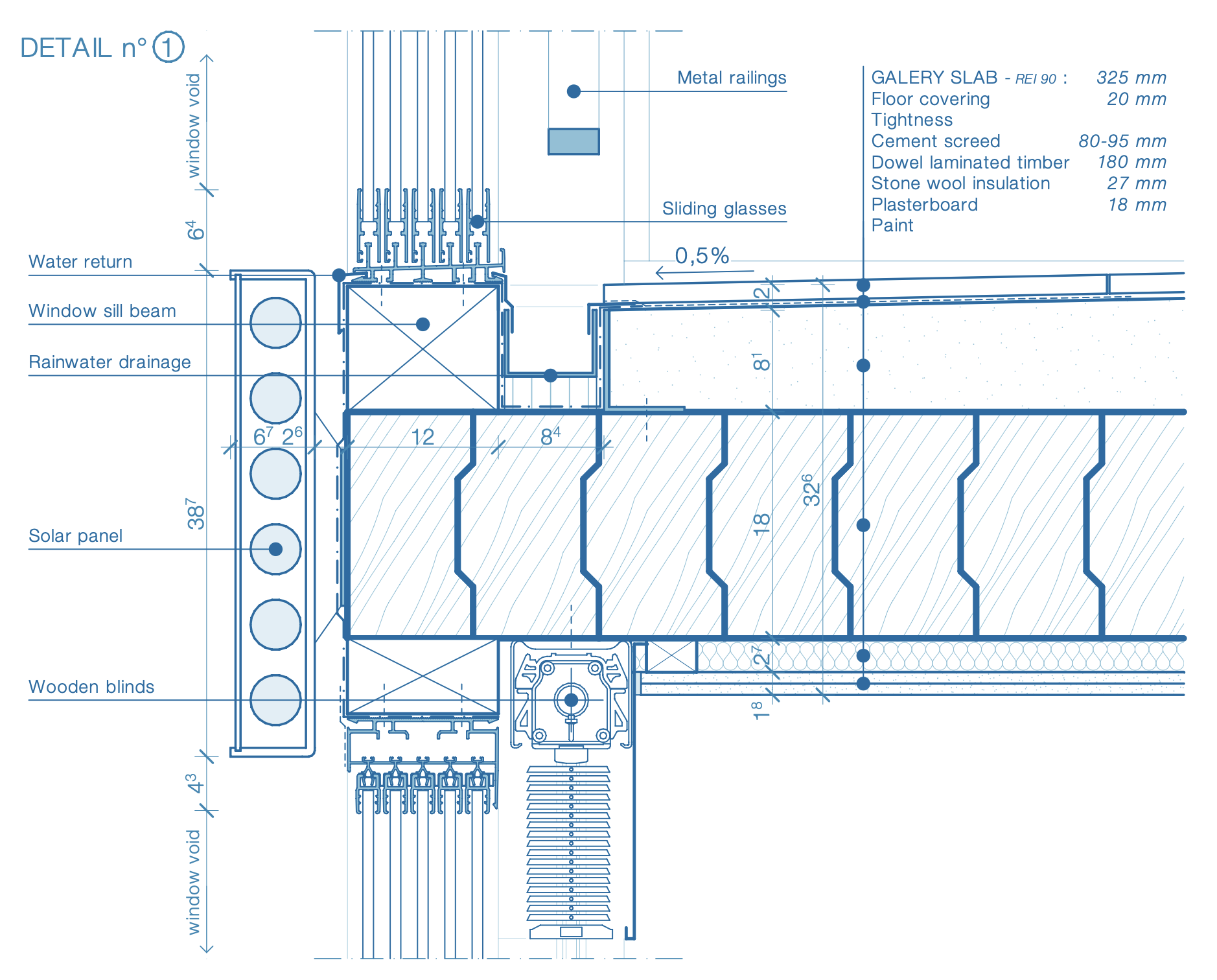
And finally, here, the two details of both north and south façades. Through this architectural and narrative journey, I hope that you could have a clear travel through my project.

Project carried out as part of the Fundamentals of Housing Design at TU Delft.

axonometric-drawing-architectural-project-blue-lines
axonometric-text-diagram-architectural-project
axonometry-of-techniques-and-structure-of-an-appartement-architecture-project
axonometry-of-techniques-and-structure-of-an-appartement-architecture-project
blender-architectural-rendering-CGI-visualization-of-a-living-room-wood-walls-and-concrete-floor
blender-rendering-architectural-visualization-of-a-gallery-plants-toy-truck
blender-rendering-architectural-visualization-of-dining-room-with-winter-evening-light-and-game-board-on-table
skecth-architectural-visualization-room-with-window-facing-forest
blender-rendering-architectural-visualization-room-with-window-facing-forest
sketch-architectural-visualization-rooftop-garden-with-blue-metallic-facade
blender-rendering-architectural-visualization-rooftop-garden-with-blue-metallic-facade
plan-top-view-cad-drawing-lively-appartements-architectural-project-blue-lines
zoom-plan-top-view-cad-drawing-lively-livingroom-and-dining-blue-lines
zoom-plan-top-view-cad-drawing-lively-bedroom-appartment-blue-lines
section-view-cad-drawing-detailled-lively-building-architectural-project-blue-lines
zoom-section-view-cad-drawing-detailled-lively-building-architectural-project-blue-lines
zoom-section-view-cad-drawing-detailled-lively-appartment-architectural-project-blue-lines
zoom-section-view-cad-drawing-detailled-lively-appartment-facing-trees-blue-lines
zoom-section-view-cad-drawing-detailled-lively-appartment-facing-trees-squirrel
zoom-section-view-cad-drawing-detailled-lively-attic-appartment-architectural-project
zoom-section-view-cad-drawing-detailled-lively-rooftop-gardening
axonometric-cad-diagram-of-an-appartment-showcasing-typology-detailed-floor-plan-arrangement-rooms-structure
3d-2d-diagram-of-sources-inspirations-for-typology-appartments
exploded-axonometry-architectural-cad-diagram-illustrating-structure-design-organization-construction-of-a-building
exploded-axonometry-architectural-cad-diagram-illustrating-phases-construction-of-bathroom-structure-technics
architectural-top-view-plan-buildings-central-courtyard-with-forest-vegetation
detailed-architectural-drawings-depicting-floorplans-and-3d-section
detailed-architectural-drawings-depicting-floorplans-and-3d-section
detailed-architectural-drawings-construction-detail-axonometry-views
architectural-drawing-construction-detail-section-wood-structure
architectural-drawing-construction-detail-axonometry
architectural-drawing-construction-detail-floorplan-windows-wood-structure
sketch-of-architectural-construction-detail-section-balcony-gallery
architectural-drawing-construction-detail-section-windows-wood-structure
axonometric-text-diagram-architectural-project-multiple-scales
architectural-rendering-axonometric-view-project-collage